MDF Finish profielen

MDF Finish profielen
De profielen zijn niet alleen multifunctioneel inzetbaar, ze zijn kant-en-klare binnenafwerkingsprofielen en voorzien van een hoogwaardige finishfolie.

Ervaar moeiteloze perfectie met onze MDF Finish profielen: de ideale oplossing voor dagkantafwerking en koudebrugonderbreking. Met een duurzame folie, vakkundig verlijmd met hoogwaardige PU verlijming, bieden deze kant-en-klaar profielen een strakke afwerking in elegant crème of tijdloos wit. Dit bespaart niet alleen schilderuren, maar maakt de montage ook eenvoudiger en sneller. Transformeer uw projecten eenvoudig en stijlvol.

Programma overzicht basismodellen
We leveren u vanuit voorraad en maximaal binnen 2 werkdagen na uw bestelling, mits onverkocht.

De profielen zijn gemaakt van MDF V313 en afgewerkt met een hoogwaardige kunststof folie wit / creme gelijkend op RAL 9010 / 9001. In ons standaardprogramma kunnen we de profielen nabewerken, o.a. afkorten, boren, drevelen, CNC bewerken, kops afwerken en etiketteren. Maar ook de profielen voorzien van isolatie voor een koudebrugonderbreking behoort tot onze standaard mogelijkheden.

Koplat 12 x 50 mm
Koplat 12 x 50 mm
Koplat 12 x 80 mm
Koplat 12 x 80 mm
Plaat 6 x 200 mm
Plaat 6 x 200 mm
Plaat 6 x 290 mm
Plaat 6 x 290 mm
Plaat 6 x 450 mm
Plaat 6 x 450 mm
Plaat 6 x 600 mm
Plaat 6 x 600 mm
Plaat 6 x 750 mm
Plaat 6 x 750 mm
Plaat 6 x 1220 mm
Plaat 6 x 1220 mm
Plaat 12 x 600 mm
Plaat 12 x 600 mm
Plaat 12 x 750 mm
Plaat 12 x 750 mm
Plaat 12 x 1220 mm
Plaat 12 x 1220 mm
Platstuk 12 x 60 mm
Platstuk 12 x 60 mm
Platstuk 12 x 90 mm
Platstuk 12 x 90 mm
Platstuk 12 x 120 mm
Platstuk 12 x 120 mm
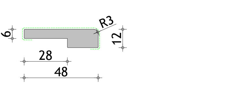
Platstuk 12 x 120 mm +2 R=3
Platstuk 12 x 120 mm +2 R=3
Platstuk 12 x 140 mm
Platstuk 12 x 140 mm
Platstuk 12 x 160 mm
Platstuk 12 x 160 mm
Platstuk 15 x 50 mm
Platstuk 15 x 50 mm
Platstuk 15 x 80 mm
Platstuk 15 x 80 mm
Platstuk 15 x 24 mm
Platstuk 15 x 24 mm
Hoek 26 x 70 x 15 mm
Hoek 26 x 70 x 15 mm
Hoek 26 x 105 x 15 mm
Hoek 26 x 105 x 15 mm
Hoek 36 x 105 x 15 mm
Hoek 36 x 105 x 15 mm
Hoek 30 x 60 mm
Hoek 30 x 60 mm
Hoek 30 x 105 mm
Hoek 30 x 105 mm
Hoek 30 x 105 mm + Isolatie
Hoek 30 x 105 mm + Isolatie
Hoek 40 x 70 mm
Hoek 40 x 70 mm
Hoek 60x160 mm
Hoek 60x160 mm
Hoek 70 x 100 mm
Hoek 70 x 100 mm
Hoek 70 x 150 mm
Hoek 70 x 150 mm
Hoek 70 x 220 mm
Hoek 70 x 220 mm
Hoek 28 x 65 mm
Hoek 28 x 65 mm
Binnenhoek 20 x 60 mm
Binnenhoek 20 x 60 mm
Knikhoek 35 x 35 mm
Knikhoek 35 x 35 mm
Flexibele hoek
Flexibele hoek
Vensterbank 150 mm
Vensterbank 150 mm
Vensterbank 200 mm
Vensterbank 200 mm
Vensterbank 250 mm
Vensterbank 250 mm
Vensterbank 300 mm
Vensterbank 300 mm
Vensterbank 350 mm
Vensterbank 350 mm
Vensterbank 400 mm
Vensterbank 400 mm
Vensterbank 500 mm
Vensterbank 500 mm
Vensterbank 600 mm
Vensterbank 600 mm
Bijpassende afdekkap
Bijpassende afdekkap
Plint 6 x 35 mm
Plint 6 x 35 mm
Plint 6 x 50 mm
Plint 6 x 50 mm
Plint 6 x 85 mm
Plint 6 x 85 mm
Plint 6 x 120 mm
Plint 6 x 120 mm
Plint 9 x 45 mm
Plint 9 x 45 mm
Ankerlat 12 x 48 mm
Ankerlat 12 x 48 mm
Ankerlat 12 x 80 mm
Ankerlat 12 x 80 mm
Downloads

Optimale houtkwaliteit met de juiste acclimatisering!

Wist u dat veranderingen in de relatieve vochtigheid grote invloed hebben op de maatvoering van hout en houtachtige producten? Om de beste resultaten te garanderen, adviseren wij u om uw profielen zorgvuldig te aclamatiseren.

Sla uw houtproducten 2-3 dagen op vóór de definitieve montage en zorg ervoor dat ze zich bevinden op de plek waar ze uiteindelijk worden gemonteerd. Deze eenvoudige stap helpt om ongewenste vervormingen te voorkomen en de levensduur van uw hout te verlengen.

Let op: vermijd opslag of toepassing bij een constante luchtvochtigheid van meer dan 85% RV. Zo behoudt u de perfecte kwaliteit van uw hout en kunt u rekenen op schitterende resultaten!

Kies voor zekerheid, kies voor kwaliteit met onze producten!

Contact